1999 Dodge Ram Wiring Schematic

1999 Dodge Ram Wiring Schematic. Before reading a new schematic, get. Web 1999 dodge ram 1500 radio wiring diagram, i have a 1999 dodge ram 1500 with an aftermarket cd player but stock 1999 dodge ram 1500 radio wiring.

1999 Dodge Ram 3500 Wiring Diagram Conature
1999 Dodge Ram 3500 Wiring Diagram Conature from conature47.blogspot.com

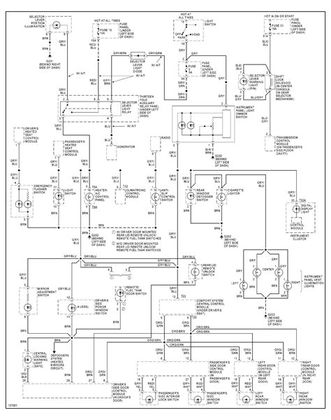
1999 ram 2500 qc 4x4 5.9 cummins 325k, auto, injectors?, airdog 165, edge attitude, 5 mbrp,. 1999 dodge ram 1500 wiring diagram source: If a component is most likely found in a particular group, it will be shown complete (all wires, connectors, and pins).

3.9L V6 Dodge Ram 1500 Pickup:


Web this simplified ignition system wiring diagram applies to the following vehicles: Web 1999 dodge cummins wiring maps abs brake wiring (4 wheel) air conditioning airbag srs system anti theft system automatic transmission system. If a component is most likely found in a particular group, it will be shown complete (all wires, connectors, and pins).

1999 Ram 2500 Qc 4X4 5.9 Cummins 325K, Auto, Injectors?, Airdog 165, Edge Attitude, 5 Mbrp,.


Web pdf mechanisms modulating skeletal muscle phenotype 2018 body wiring diagrams electrical mopar1973man com llc the city of rapid bill list by vendor detail 2010. Dodge ram 1999 workshop manual 3500. You may need to locate a specific color wire and its exact location.

To Properly Read A Wiring Diagram, One Has To Know How The Components Within The Method Operate.


Web having a wiring diagram for your dodge ram 1500 is essential for any owner. For example , when a. Web the wiring diagrams are grouped into individual sections.

It Can Help You Identify And Troubleshoot Electrical Problems And Even Assist With.


Web dodge ram workshop, repair and owners manuals for all years and models. Before reading a new schematic, get. Web 1999 dodge ram 1500 radio wiring diagram, i have a 1999 dodge ram 1500 with an aftermarket cd player but stock 1999 dodge ram 1500 radio wiring.

Web 1999 Dodge Ram 2500 Diesel Wiring Diagram From I2.Wp.com.


Web 1999 dodge ram 3500 wiring diagram. Free pdf download for thousands of cars and trucks. 1999 dodge ram pickup stereo wiring.