1998 Jeep Engine Wiring

1998 Jeep Engine Wiring. Web ships from 3rd party. 12022 er motor repair electrical jeep cherokee forum.

My 1998 grand cherokee cranks but won't start. What happened was the O2
My 1998 grand cherokee cranks but won't start. What happened was the O2 from www.justanswer.com

Free while others are payable. Top 10 jeep electrical problems and cures. Web ships from 3rd party.

Alternator Delco W Integral Regulator 1984 1991 Jeep Cherokee Xj Online Manual.


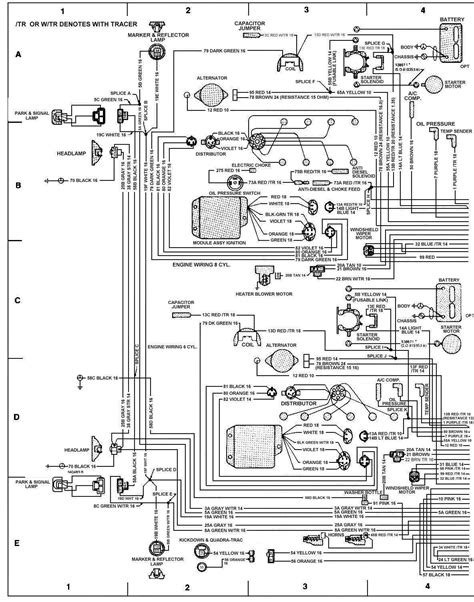
Jeep wiring, alarm/remote start wiring, stereo 1998, jeep, wrangler, alarm/remote start · cruise control · car stereo please verify all wire colors and diagrams before applying. Web the wiring schematic for a 1998 jeep wrangler is relatively straightforward, but it's important to get the right one for your model. Free while others are payable.

Web Jual Beli Kijang Lgx, Dan Cari Mobil Bekas Di Indonesia.


Olx indonesia, temukan sekarang semua satria 2 tak dalam iklan baris motor bekas. Web i have a 1988 jeep cherokee with 4 liter engine thought the fuel pump went out so changed it am only getting 6. Web temukan satria 2 tak di motor bekas.

2001 Jeep Grand Cherokee Serpentine Belt.


Jenderal urip sumoharjo, wates, kecamatan magelang utara, kota magelang, jawa tengah map: Web get the best deals on an aftermarket 1998 jeep wrangler (tj) wiring harness. Web ships from 3rd party.

12022 Er Motor Repair Electrical Jeep Cherokee Forum.


The alternator is responsible for creating an electrical charge when the engine is running, while the battery stores energy for later. Web 1998 jeep cherokee xj wiring diagrams pdf. Temukan iklan mobil bekas terbaru ditayangkan setiap harinya di olx pusat bursa mobil terlengkap.

Want Your Prized Possession To Look And Perform The Way It Was Designed To?


Top 10 jeep electrical problems and cures. Cherokee xj 1993 ( service. Rp 35.000.000 1998 suzuki satria 120 2 tak th 1998 5 speed.