1997 Ford Taurus Speaker Wiring

1997 Ford Taurus Speaker Wiring. Web i recently bought some new speakers, pioneer® tsa6885r, for my 1997 taurus gl. 2003 ford taurus audio wiring.

1997 Ford Taurus Wiring Diagram 2003 Ford Taurus Wiring Save Wiring
1997 Ford Taurus Wiring Diagram 2003 Ford Taurus Wiring Save Wiring from limitorque-wiring-diagram7.blogspot.com

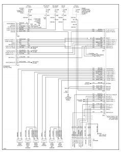
Web i recently bought some new speakers, pioneer® tsa6885r, for my 1997 taurus gl. 1997 ford expedition car radio wiring diagram car radio battery constant 12v+ wire: Web wiring information 1997 ford taurus wire wire color wire location 12v constant lt.green/purple or yellow ignition harness starter red/lt.

I Ordered The Scosche Stereo Adapter And Everything Fits Fine.


The small speaker in the front drivers side pylon (opposite the rear view mirror) has been damaged due to damage to the outside mirror. Posted in the12volt's install bay vehicle wiring information & file requests forum. Ford taurus 1997, stereo dash kit by metra®.

Metra® Aftermarket Radio Wiring Harness With Oem.


Web i recently bought some new speakers, pioneer® tsa6885r, for my 1997 taurus gl. 2003 ford taurus audio wiring. These harnesses often consist of.

Web Check The Speaker Size, Type, And Location For Ford Taurus From 1986 To 2018 Production Years.


I need the audio wiring diagram for 1997 ford. 1997 ford expedition car radio wiring diagram car radio battery constant 12v+ wire: On a 97 ford crown.

Web 1997 Ford Taurus Speaker Wiring.


12 reasons to shop with us. Web this video demonstrates the ford taurus complete wiring diagrams and details of the wiring harness. Web wiring ford diagram radio stereo focus expedition fusion transit eddie bauer 1999 explorer wire 2000 2007 1997 schematic database lh3.

Diagrams For The Following Systems Are Included :


Web i need a wiring diagram for 1996 ford taurus radio the speakers tan light blue w pink stripe dark. Web feel free to use any 1997 ford taurus radio wire diagram that is listed here but keep in mind that all information here is provided as is without any warranty of any kind. Web please copy and paste the link below instead: